Repara y dale más vida a tu electrodoméstico… y al planeta
Inicio>Lavadoras Samsung>WF806U4SAWQ

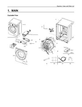
Despiecesv^

Los despieces son esquemas o ilustraciones de electrodomésticos en los que se pueden identificar y ubicar todas las piezas y componentes de forma sencilla.
¿Desea recibir el despiece?

Filtrosv^

Localizar componentes para este electrodoméstico:
Número de posición del despiece
2-9-8-5 F0056 G0049 G0050 G0053 G0414 G0425 G0426 G0427 M0022 M0028 M0038 M0487 W0078 W0142 W0148 W0156 W0215 W0219 W0220 W0225 W0234 W0237 W0434 W0448 W0497 W0601 W0606 W0608 W0610 W0613 W0619 W0620 W0625 W0630 W0633 W0722 W0725 W0740 W0744 WD0070 WD0090 WD0093 WD0104 WD0130 WE0067 WG0055 WH0012 WI0107 WI0357 WJ0027 WJ5081 WR0050 WS0051 WS0131

Lavadora SAMSUNG WF806U4SAWQ

Variantes del lavadoras: WF806U4SAWQ/EO, WF806U4SAWQ/LE, WF806U4SAWQ/ET, WF806U4SAWQ/EC, WF806U4SAWQ/EF, WF806U4SAWQ/LV

Para encontrar la pieza que buscas de manera precisa y evitar errores, simplemente abre el despiece, encuentra la parte que necesitas y haz clic en el número correspondiente en la sección de Filtros.

Si no encuentras la pieza que buscas, háznos una consulta clicando aquí.

Listado de repuestos

1 a 25 (de 64 resultados en total)

Si no encuentra la pieza que necesita, por favor, háganos una consulta haciendo clic aquí.

Variantes del lavadoras: WF806U4SAWQEO, WF806U4SAWQLE, WF806U4SAWQET, WF806U4SAWQEC, WF806U4SAWQEF, WF806U4SAWQLV