Repara y dale más vida a tu electrodoméstico… y al planeta
Inicio>Lavadoras Samsung>WF7702NAW

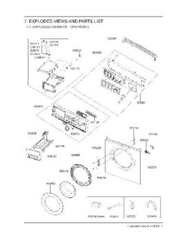
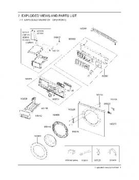
Despiecesv^

Los despieces son esquemas o ilustraciones de electrodomésticos en los que se pueden identificar y ubicar todas las piezas y componentes de forma sencilla.
¿Desea recibir el despiece?

Filtrosv^

Localizar componentes para este electrodoméstico:
Número de posición del despiece
ACCESSO ASSYSEM B/K+PR B/KPRES EARTH HDRAIN( M0022 P R1 R16 R29 R59 RY5 SCREWTA TUBBACK TUBFRON W W0161 W0194 W0220 W0225 W0234 W0447 W0514 W0600 W0602 W0604 W0607 W0608 W0613 W0619 W0622 W0624 W0625 W0627 W0633 W0740 Y0115

Lavadora SAMSUNG WF7702NAW

Variantes del lavadoras: WF7702NAW/XEC, WF7702NAW/XEU, WF7702NAW/XES, WF7702NAW/XEF

Para encontrar la pieza que buscas de manera precisa y evitar errores, simplemente abre el despiece, encuentra la parte que necesitas y haz clic en el número correspondiente en la sección de Filtros.

Si no encuentras la pieza que buscas, háznos una consulta clicando aquí.

Listado de repuestos

1 a 25 (de 49 resultados en total)

Si no encuentra la pieza que necesita, por favor, háganos una consulta haciendo clic aquí.

Variantes del lavadoras: WF7702NAWXEC, WF7702NAWXEU, WF7702NAWXES, WF7702NAWXEF