Repara y dale más vida a tu electrodoméstico… y al planeta
Inicio>Lavadoras Samsung>WW80T4540TE

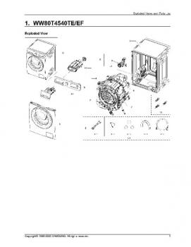
Despiecesv^

Los despieces son esquemas o ilustraciones de electrodomésticos en los que se pueden identificar y ubicar todas las piezas y componentes de forma sencilla.
¿Desea recibir el despiece?

Filtrosv^

Localizar componentes para este electrodoméstico:
Número de posición del despiece
1-6-7 F0056 G0050 G0422 G0425 M0028 M0038 M0039 M0487 W0105 W0151 W0163 W0164 W0165 W0209 W0215 W0216 W0234 W0237 W0372 W0434 W0448 W0459 W0474 W0501 W0601 W0603 W0605 W0608 W0619 W0625 W0633 W0636 W0725 W0740 W0744 W0757 WD0090 WE0121 WH5191 WI0107 WI0357 WJ0027 WJ5081 WS0051 WS0119 WS0131 WX0412

Lavadora SAMSUNG WW80T4540TE

Variantes del lavadoras: WW80T4540TE/EF, WW80T4540TE/EC, WW80T4540TE/KJ

Para encontrar la pieza que buscas de manera precisa y evitar errores, simplemente abre el despiece, encuentra la parte que necesitas y haz clic en el número correspondiente en la sección de Filtros.

Si no encuentras la pieza que buscas, háznos una consulta clicando aquí.

Listado de repuestos

1 a 25 (de 87 resultados en total)

Si no encuentra la pieza que necesita, por favor, háganos una consulta haciendo clic aquí.

Variantes del lavadoras: WW80T4540TEEF, WW80T4540TEEC, WW80T4540TEKJ