Repara y dale más vida a tu electrodoméstico… y al planeta
Inicio>Lavadoras Samsung>Q1044GW

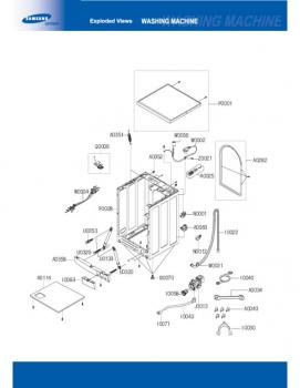
Despiecesv^

Los despieces son esquemas o ilustraciones de electrodomésticos en los que se pueden identificar y ubicar todas las piezas y componentes de forma sencilla.
¿Desea recibir el despiece?

Filtrosv^

Localizar componentes para este electrodoméstico:
Número de posición del despiece
D0075 Q1044GW

Lavadoras SAMSUNG Q1044GW

Variantes del lavadoras: Q1044GW/XEC, Q1044GW/XET

Para encontrar la pieza que buscas de manera precisa y evitar errores, simplemente abre el despiece, encuentra la parte que necesitas y haz clic en el número correspondiente en la sección de Filtros.

Si no encuentras la pieza que buscas, háznos una consulta clicando aquí.

Listado de repuestos

1 a 25 (de 30 resultados en total)

Si no encuentra la pieza que necesita, por favor, háganos una consulta haciendo clic aquí.

Variantes del lavadoras: Q1044GWXEC, Q1044GWXET