Repara y dale más vida a tu electrodoméstico… y al planeta
Inicio>Aspiradores Samsung>VS15A60BGR5

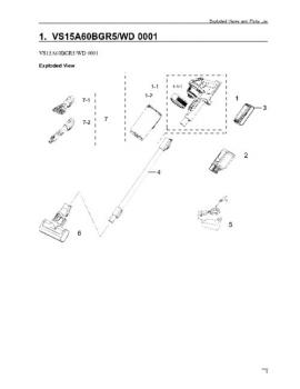
Despiecesv^

Los despieces son esquemas o ilustraciones de electrodomésticos en los que se pueden identificar y ubicar todas las piezas y componentes de forma sencilla.
¿Desea recibir el despiece?

Filtrosv^

Localizar componentes para este electrodoméstico:
Número de posición del despiece
2 RA001 RA002 RA014 RB033 RB037 RJ004 RL005 RV005

Aspiradores SAMSUNG VS15A60BGR5 (JET 65 PETPRO)

Variantes del aspiradores: VS15A60BGR5/WD

Para encontrar la pieza que buscas de manera precisa y evitar errores, simplemente abre el despiece, encuentra la parte que necesitas y haz clic en el número correspondiente en la sección de Filtros.

Si no encuentras la pieza que buscas, háznos una consulta clicando aquí.

Listado de repuestos

Si no encuentra la pieza que necesita, por favor, háganos una consulta haciendo clic aquí.

Variantes del aspiradores: VS15A60BGR5WD