Repara y dale más vida a tu electrodoméstico… y al planeta
Inicio>Aires acondicionados Samsung>AE160MXTPEH

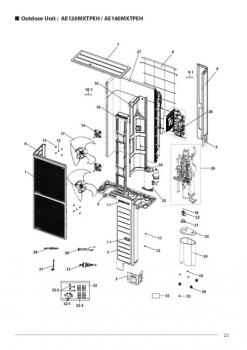
Despiecesv^

Los despieces son esquemas o ilustraciones de electrodomésticos en los que se pueden identificar y ubicar todas las piezas y componentes de forma sencilla.
¿Desea recibir el despiece?

Filtrosv^

Localizar componentes para este electrodoméstico:
Número de posición del despiece
M0039 RW028 S0224 Y0115